Описание
Характеристики
Отзывы
Описание
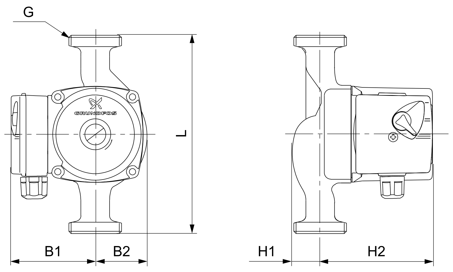
Габаритные и присоединительные размеры


Материалы


Характеристики
Бренд
Grundfos
Серия
UPS
Тип насоса
Циркуляционный
Область применения
Отопление
Тип присоединения
Резьбовый
Диаметр присоединения
1 1/4" (Ду 32)
Монтажный диаметр
180 мм
Максимальный напор
8 метров
Максимальный расход
183 л/мин (10980 л/час)
Материал корпуса
Чугун
Материал рабочего колеса
Технополимер
Тип ротора
Мокрый
Максимальная потребляемая мощность
220 Вт
Гарантия
12 месяцев
Отзывы
Отзывов еще никто не оставлял
