Каталог
(0)
Склад Старая Купавна – Нет в наличии
Центральный склад – Нет в наличии
Предзаказ

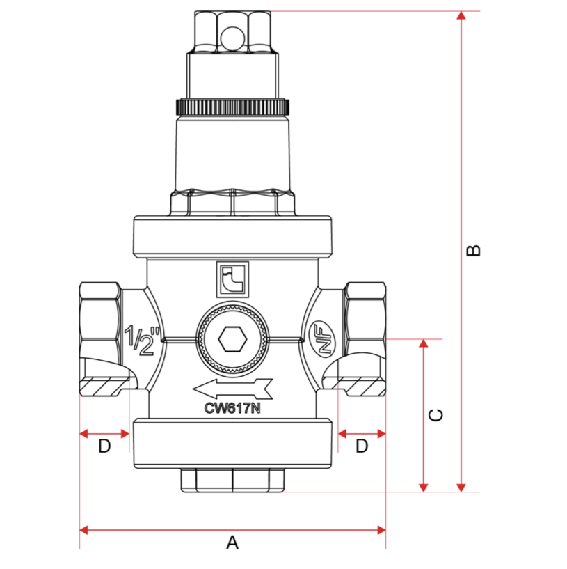
Редуктор давления ITAP EUROPRESS 1" (с выходом под манометр 1/4")

Купить в 1 клик
Добавить в сравнение

Редуктор давления — это устройство, которое снижает и стабилизирует входное давление до желаемого значения на выходной стороне. Когда давление на входе со стороны коммунальной сети слишком высокое и непостоянное, редуктор давления стабилизирует его на уровне заданного значения.

Выбрать
    Описание
    Характеристики
    Отзывы
    Описание

    Чтобы оптимизировать использование и срок службы всей системы, необходимо соблюдать следующие инструкции по сборке, местные нормы и общие директивы.
    - Место установки должно быть защищено от мороза и быть легкодоступным.
    - Установите редуктор давления в начале водопроводной сети, непосредственно после счетчика.
    - Рекомендуется установить два отсечных клапана до и после редуктора давления для облегчения операций по техническому обслуживанию.

    - Чтобы защитить редуктор от избыточного обратного давления, установите обратный клапан сразу после редуктора. - Для идеальной установки в соответствии со всеми правилами следуйте схеме, показанной на рис. 5.2.
    - Если за редуктором стоит котел, следует установить расширительный бак.
    - Редуктор давления не является предохранительным устройством. Желательно после редуктора подключать соответствующие предохранительные клапаны.

    - Во избежание явлений кавитации и, соответственно, чрезмерного шума детали рекомендуется не допускать того, чтобы соотношение между максимальным давлением перед и давлением регулировки после регулятора превышало значение 2,5.
    Примечание: давление после редуктора ни в коем случае не должно превышать максимальное рабочее давление комплектующих, которые находятся после этого редуктора, во избежание повреждений или сбоев. При соединении на мультирезьбовом хвостовике уплотнение выполняется только на резьбе.

    ИНСТРУКЦИИ ПО МОНТАЖУ

    1. Перед монтажом откройте все краны подачи, чтобы промыть систему от загрязняющих веществ, отходов и выпустить воздух.
    2. Установите отсечные клапаны на входе и выходе для выполнения возможного техобслуживания.
    3. Для правильного направления потока используйте стрелку, нанесенную на корпус.

    4. Редуктор давления ITAP может быть установлен как с вертикальными, так и с горизонтальными трубопроводами во всех положениях.
    5. Изделие 143 снабжено штуцером для манометра. Боковую пробку можно открутить, чтобы установить манометр с резьбой 1/4". В этом положении манометр показывает давление за редуктором.

    6. Все редукторы давления ITAP тестируются и калибруются при давлении на выходе 3 бара, однако можно изменить давление на выходе, воздействуя на устройство регулировки.
    7. Окончательная калибровка редуктора давления должна выполняться при полностью заполненном гидравлическом контуре и с закрытыми потребителями. Давление на входе должно быть как минимум на 1 бар выше установленного давления. Порядок регулировки редуктора при давлении, отличном от заводского: - закройте отсечной клапан на выходе; - открутите нейлоновую кольцевую гайку (рис. 4.1); - используйте ключ или отвертку на пружинном толкателе (рис. 4.2); поворот по часовой стрелке увеличивает давление на выходе, поворот против часовой стрелки снижает давление на выходе; - выполните несколько операций по выпуску, чтобы проверить стабильность калибровки; - при необходимости внесите какие-либо корректировки при остановленной системе и комнатной температуре; - снова закрутите нейлоновую кольцевую гайку (рис. 4.3).

    8. Компания ITAP s.p.a. рекомендует использовать тефлон в качестве уплотнительного материала в стыках между редуктором давления и трубопроводами подачи воды.

     

    Характеристики
    Тип
    Редуктор давления
    Бренд
    ITAP
    Тип присоединения
    Резьбовый
    Диаметр присоединения
    1" (Ду 25)
    Резьба
    Внутренняя/Внутренняя
    Максимальное давление
    25 Бар
    Материал корпуса
    Латунь CW617N
    Максимальная рабочая температура
    80 °C
    Диапазон настройки давления
    1-5,5 Бар
    Отзывы
    Отзывов еще никто не оставлял
    Обратный звонок
    Запрос успешно отправлен!
    Имя *
    Телефон *
    Предзаказ
    Предзаказ успешно отправлен!
    Имя *
    Телефон *
    Добавить в корзину
    Название товара
    100 ₽
    1 шт.
    Перейти в корзину
    Заказ в один клик

    Я ознакомлен и согласен с условиями оферты и политики конфиденциальности.